揚州軒得機械有限公司是一家專業電液推桿廠家,平行式電液也是電液推桿中用量非常大的一款型號,平行式電液推桿型號縮寫:DYTP ,電液推桿又稱:液壓推桿。
DYTP平行式電液推桿實物圖:

DYTP平行式電液推桿技術參數:
|
DYTP型平行式電液推桿技術參數(選型表)
|
|
型號
|
額定輸出力(Kgf)
|
額定速度(mm/s)(特殊速度可定制)
|
電機型號
|
行程制造范圍
|
速度制造范圍
|
|
推力
|
拉力
|
推速
|
拉速
|
(kw)
|
(mm)
|
(mm)
|
|
DYTP
|
450
|
450
|
300
|
45/70/115/160
|
65/100/145/200
|
0.55/0.75/0.75/1.1
|
5-1000
|
5-250
|
|
750
|
750
|
500
|
30/45/70/100
|
43/65/100/165
|
0.55/0.75/1.1/1.1
|
5-1500
|
5-170
|
|
1000
|
1000
|
700
|
30/45/70/100
|
43/65/100/145
|
0.75/1.1/1.5/2.2
|
5-1500
|
5-170
|
|
1750
|
1750
|
1300
|
30/45/70/100
|
43/65/100/145
|
0.75/1.5/2.2/3.0
|
5-1500
|
5-170
|
|
2500
|
2500
|
1900
|
24/36/60/97
|
36/53/90/144
|
1.1/1.5/2.2/3.0
|
5-2000
|
5-150
|
|
3000
|
3000
|
2200
|
18/27/45/70
|
27/40/68/108
|
1.1/1.5/2.2/3.0
|
5-2500
|
5-110
|
|
4000
|
4000
|
3000
|
14/35/55/70
|
21/53/85/108
|
1.1/2.2/3.0/4.0
|
5-2500
|
5-85
|
|
5000
|
5000
|
3800
|
18/30/48/60
|
23/39/63/78
|
1.5/2.2/3.0/4.0
|
5-2500
|
5-75
|
|
6000
|
6000
|
4500
|
18/30/48/60
|
23/39/63/78
|
1.5/3.0/4.0/5.5
|
5-3000
|
5-75
|
|
8000
|
8000
|
6500
|
10/18/25/38
|
13/23/33/47
|
1.5/2.2/3.0/4.0
|
5-3000
|
5-50
|
|
10000
|
10000
|
8100
|
8/14/20/30/39
|
10/17/25/37/48
|
1.5/2.2/3.0/4.0/5.5
|
5-3000
|
5-39
|
|
15000
|
15000
|
11500
|
7/12/19/24/30
|
8/14/22/28/36
|
1.5/3.0/4.0/5.5/7.5
|
5-3000
|
5-30
|
|
20000
|
20000
|
16000
|
5.5/9.5/15/19/23
|
6.5/11/18/22/27
|
2.2/3.0/4.0/5.5/7.5
|
5-3000
|
5-23
|
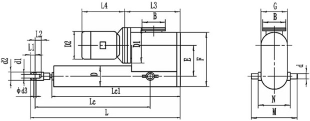
DYTP平行式電液推桿外形尺寸及安裝尺寸:
|
DYTP型平行式電液推桿外形尺寸及安裝尺寸
|
|
|
|
揚州軒得-平行式電液推桿型號
|
注意:訂貨時若需隨機訂購外行程裝置或手輪等附件需另行注明!
|
|
型號
|
外形尺寸(mm)
注:表中均為推桿縮回狀態尺寸,S為行程
|
安裝尺寸(mm)
注:電機相關尺寸根據電動機型號及實物定
|
|
LC
|
LC1
|
L
|
L1
|
L2
|
L3
|
L4
|
d
|
d1
|
d2
|
d3
|
D
|
D1
|
D2
|
M
|
N
|
E
|
F
|
|
DYTP
|
450
|
81+S
|
138+S
|
253+S
|
24
|
30
|
308
|
246
|
φ20
|
18
|
φ40
|
φ12
|
146
|
200
|
175
|
220
|
160
|
190
|
336
|
|
750
|
125+S
|
148+S
|
303+S
|
30
|
45
|
315
|
246
|
φ30
|
25
|
φ60
|
φ20
|
146
|
200
|
175
|
225
|
165
|
190
|
336
|
|
1000
|
125+S
|
148+S
|
303+S
|
30
|
45
|
315
|
261
|
φ30
|
25
|
φ60
|
φ20
|
146
|
200
|
175
|
225
|
165
|
190
|
336
|
|
1750
|
125+S
|
148+S
|
303+S
|
30
|
45
|
325
|
286
|
φ30
|
25
|
φ60
|
φ20
|
146
|
200
|
195
|
225
|
165
|
190
|
336
|
|
2500
|
125+S
|
148+S
|
303+S
|
30
|
45
|
325
|
286
|
φ30
|
25
|
φ60
|
φ20
|
159
|
200
|
195
|
242
|
182
|
210
|
369
|
|
3000
|
155+S
|
148+S
|
323+S
|
40
|
50
|
331
|
316
|
φ30
|
30
|
φ70
|
φ30
|
159
|
250
|
215
|
242
|
182
|
220
|
379
|
|
4000
|
155+S
|
168+S
|
343+S
|
40
|
50
|
331
|
316
|
φ40
|
30
|
φ70
|
φ30
|
159
|
250
|
215
|
242
|
182
|
220
|
379
|
|
5000
|
155+s
|
168+s
|
343+s
|
40
|
50
|
334
|
316
|
φ40
|
30
|
φ70
|
φ30
|
180
|
250
|
215
|
290
|
210
|
240
|
420
|
|
6000
|
200+s
|
168+s
|
356+s
|
42.5
|
55
|
334
|
316
|
φ50
|
35
|
φ75
|
φ35
|
180
|
250
|
215
|
290
|
210
|
240
|
420
|
|
8000
|
200+s
|
178+s
|
365+s
|
42.5
|
55
|
341
|
316
|
φ50
|
35
|
φ75
|
φ35
|
219
|
250
|
215
|
330
|
250
|
250
|
469
|
|
10000
|
200+s
|
178+s
|
365+s
|
42.5
|
55
|
341
|
336
|
φ50
|
35
|
φ75
|
φ35
|
219
|
250
|
240
|
330
|
250
|
250
|
469
|
|
15000
|
200+s
|
188+s
|
388+s
|
50
|
60
|
348
|
391
|
φ60
|
45
|
φ90
|
φ40
|
245
|
300
|
275
|
380
|
280
|
280
|
545
|
|
20000
|
200+s
|
208+s
|
408+s
|
50
|
60
|
348
|
391
|
φ60
|
45
|
φ120
|
φ40
|
300
|
300
|
275
|
440
|
340
|
320
|
620
|
技術服務熱線:133 9063 0016